STA-AM30X laseretäisyysmoduuli hyödyntää Time-of-Flight (TOF) -tekniikkaa tarkan etäisyyden mittaamiseen 10 metristä 4000 metriin. Se tukee taajuutta 1 Hz - 10 Hz ja siinä on UART (TTL 3.3V) tiedonsiirtoliitäntä. Toimintoja ovat yhden laukauksen etäisyys, jatkuva etäisyys, ensimmäinen/viimeinen kohteen tunnistus ja usean kohteen etäisyys, mikä tekee siitä sopivan erittäin tarkkoihin etäisyysmittaussovelluksiin.
| Projekti | Suorituskykyindikaattorit | |
| Malli | STA-AM30X | |
| Suorituskykyindikaattorit | Laser aallonpituus | 1535±5nm |
| Silmien turvallisuus | Luokka Ⅰ (IEC 60825-1) | |
| Eroamiskulma | ≤0,6 mrad | |
| Laserenergia | ≥100 μJ | |
| Näkökenttä (FOV) | ~ 7. 4 mrad | |
| Suurin mittausalue (näkyvyys > 8 km) | ≥ 4000m @60 % heijastavuus, rakennuskohde | |
| ≥3 000 m @ 30 % heijastavuus, 2,3 × 2,3 m kohde | ||
| ≥1500m @30% heijastavuus, 0,5×1,7m kohde | ||
| ≥800 m @ 30 % heijastavuus, 0,2 × 0,3 m kohde | ||
| Minimialue | ≤10 m | |
| Vaihtelutaajuus | 1Hz ~ 10Hz | |
| Monen kohteen tunnistus | Jopa 3 maalia | |
| Alueen tarkkuus | ±1 m | |
| Tarkkuusaste | ≥ 98 % | |
| Väärä hälytystaajuus | ≤ 1 % | |
| Sähköiset tiedot | Käyttöliittymän tyyppi | UART (TTL 3,3 V) |
| Virtalähteen jännite | DC 3-5V | |
| Valmiustilan virrankulutus (täysi lämpötila-alue) | ≤10mW (virta kytkettynä alhainen) | |
| ≤0,8 W (virta kytkettynä korkealle) | ||
| Käyttövirrankulutus (täysi lämpötila-alue) | 0x04 (adathossz) | |
| 5V, <1. 5W @ 10Hz | ||
| Huippuvirrankulutus | Sulautettu ohjelmisto | |
| Käynnistysaika | ≤350ms (Käynnistyksen jälkeen vasteaika ≤20ms) | |
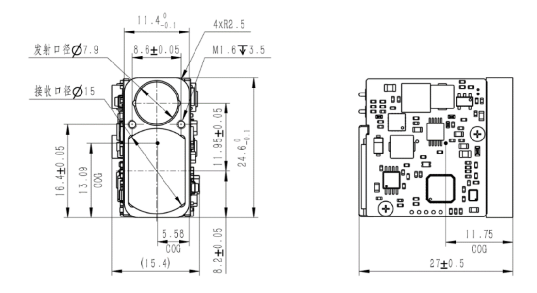
| Fyysiset ominaisuudet | Paino | ≤ 141 g |
| Mitat | ≤ 27 × 25 × 15,5 mm (P × L × K) | |
| Järkyttää | 1200g, 1ms | |
| Tärinä | Aseta jatkuva etäisyystaajuus | |
| Ympäristöön sopeutumiskyky | Käyttölämpötila | -40 ~ +70 ℃ |
| Varastointilämpötila | -45 ~ +70 ℃ | |
| Luotettavuus | MTBF> 1500h | |
Suositeltavat asennustelineen mitat ovat seuraavat:
Asennuskaavio:
Liitäntätyyppi: UART (TTL 3.3V)
Liittimen malli: FWF08002-S06B13W5M (Tesga-liitin)
| Pin | Määritelmä | Kuvaus | |
| 1 | POWER_ON | Moduulin virtakytkin, TTL 3,3 V -taso; moduuli päällä (> 2,7 V), moduuli pois päältä (< 0,3 V) | |
| 2 | UART_RX | Sarjaporttivastaanotin, TTL 3.3V Taso | |
| 3 | UART_TX | Sarjaporttilähetin, TTL 3.3V Taso | |
| 4 | NC | ||
| 5 | Teho positiivinen | Virtalähde, 3-5V | |
| 6 | GND | Sarjaportin maadoitus |
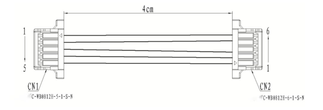
Kaapelin määritelmä:
Sopiva kaapelin liitin:
| CN1(C-WBO812H-5-1-S-N) | CN2(C-WBO812H-6-1-S-N) | Kaapelin tekniset tiedot | Väri |
| 1 | 6 | AWG32 | Musta |
| 2 | 5 | AWG32 | Punainen |
| 3 | 3 | AWG32 | Keltainen |
| 4 | 2 | AWG32 | Vihreä |
| 5 | 1 | AWG32 | Valkoinen |
1 Protokollan kuvaus
1.1 Tiedonsiirtonopeus ja -muoto
| Muotostandardi | Tiedonsiirtonopeus: 115200bps (tehdasasetus) / 57600bps / 38400bps / 9600bps Tavun tietomuoto: 1 aloitusbitti, 8 databittiä, 1 lopetusbitti, ei vahvistusta |
1.2 Peruspakettimuoto
| Osion kuvaus | Osion pituus (tavumäärä) | Arvoalue | Huomautuksia |
| Kehyksen otsikko | 2 | 0xEE 0x16 | Kiinteä arvo |
| Tietojen pituus | 1 | 2~7 | Tietojen pituus on tavujen kokonaismäärä kolmessa osassa: laitekoodi, komentokoodi ja komentoparametrit |
| Varustekoodi | 1 | 0x03 | Kiinteä arvo, LRF S-sarjan mittausmoduuli |
| Komentokoodi | 1 | 0 ~ 255 | Ilmaisee nykyisen ohjauskomennon ohjausobjektin |
| Komentoparametrit | 0~4 | 0 ~ 255 | Ilmaisee nykyisen ohjauskomennon ohjausobjektin parametrit |
| Tarkistussumma | 1 | 0 ~ 255 | Tarkistussumma on kaikkien tavutietojen summa laitekoodin, komentokoodin ja komentoparametrien kolmessa osassa, alemmilla 8 bitillä |
1.3 ohjauskomento (järjestelmä→mittausmoduuli)
| Komentokoodi | Selittää | Komentoparametritavut |
| 0x01 | Laitteiden itsetarkastus | 0 |
| 0x02 | Yksittäinen ulottuvuus | 0 |
| 0x03 | Aseta ensimmäinen / viimeinen / useita kohteita | 1 |
| 0x04 | Jatkuva etäisyys | 0 |
| 0x05 | Lopeta soitto | 0 |
| 0xA0 | Aseta laseretäisyysmoduulin baudinopeus | 4 |
| 0xA1 | Aseta jatkuva etäisyystaajuus | 2 |
| 0xA2 | Aseta vähimmäisportin etäisyys | 2 |
| 0xA3 | Kysy vähimmäisportin etäisyys | 0 |
| 0xA4 | Suurin porttietäisyys | 2 |
| 0xA5 | Kysy suurin portinetäisyys | 0 |
| 0xA6 | Pyydä FPGA-ohjelmiston versionumero | 0 |
| 0xA7 | Kysy MCU-ohjelmiston versionumeroa | 0 |
| 0xA8 | Kysy laitteiston versionumeroa | 0 |
| 0xA9 | Pyydä Sn-numero | 0 |
| 0x90 | Valon tuottoaika yhteensä | 0 |
| 0x91 | Tarkista tällä kertaa virran päälle- ja sammutusajat | 0 |
1.4 Vastaustiedot (etäisyydenmittausmoduuli→järjestelmä)
| Komentokoodi | Selittää | Komentoparametritavut |
| 0x01 | Laitteiden itsetarkastus | 4 |
| 0x02 | Yksittäinen ulottuvuus | 7 |
| 0x03 | Aseta ensimmäinen / viimeinen / useita kohteita | 0 |
| 0x04 | Jatkuva etäisyys | 4 |
| 0x05 | Lopeta soitto | 0 |
| 0x06 | Epänormaali etäisyys (vain kun etäisyyspoikkeavuuskomennon tila on epänormaali, komento palautetaan sen jälkeen, kun yksittäisen etäisyyden tai jatkuvan mittauksen vastauskomento on palautettu) | 4 |
| 0xA0 | Aseta laseretäisyysmoduulin baudinopeus | 4 |
| 0xA1 | Aseta jatkuva etäisyystaajuus | 2 |
| 0xA2 | Aseta vähimmäisportin etäisyys | 2 |
| 0xA3 | Kysy vähimmäisportin etäisyys | 2 |
| 0xA4 | Suurin porttietäisyys | 2 |
| 0xA5 | Kysy suurin portinetäisyys | 2 |
| 0xA6 | Pyydä FPGA-ohjelmiston versionumero | 4 |
| 0xA7 | Kysy MCU-ohjelmiston versionumeroa | 4 |
| 0xA8 | Kysy laitteiston versionumeroa | 4 |
| 0xA9 | Pyydä Sn-numero | 3 |
| 0x90 | Valon tuottoaika yhteensä | 3 |
| 0x91 | Tarkista tällä kertaa virran päälle- ja sammutusajat | 3 |
1.5 Käyttöprosessi
Kun mittausmoduuliin kytketään virta, se on oletuksena valmiustilassa. Sen on otettava moduulin virtakytkin käyttöön (power_on vedetään ylös) noin 0,5 sekunniksi (ajokondensaattori saa latauksen valmiiksi), minkä jälkeen kaikki alla 6.2:n komentotoiminnot voidaan suorittaa.
DC 3-5V
2.1 Laitteen itsetarkastus
2.1.1 Lähetä laseretäisyysmoduuliin:
| Tavu | 0 | 1 | 2 | 3 | 4 | 5 |
| Kuvaile | 0xEE | 0x16 | 0x02 | 0x03 | 0x01 | 0x04 |
Állítsa be az első / utolsó / több célt
| Tavu | 0 | 1 | 2 | 3 | 4 | 5 | 6 | 7 | 8 | 9 |
| Kuvaile | 0xEE | 0x16 | 0x06 | 0x03 | 0x01 | Tila3 | Tila2 | Tila1 | Tila0 | Check_sum |
| Status3: reservedStatus2: kaiun voimakkuus 0x00~0xFFStatus1: bit0 -- FPGA-järjestelmän tila; 1 Normaali 0 Poikkeusbitti1 -- laservaloteho; 1 valoteho 0 ei valobittiä2 -- pääaallon havaitsemisen tila; 1 pääaalto 0 ei pääaaltobittiä3 -- kaiun havaitsemisen tila; 1 kaiku 0 ei echobit4 -- bias kytkimen tila; 1 bias on 0 bias offbit5 -- bias lähtötila; 1 esijännite on normaali 0 bias epänormaalibit6 -- lämpötilatila; 1 lämpötila on normaali 0 lämpötila epänormaali bitti7 -- valoteho pois päältä; 1 kelvollinen 0 invalidStatus0: bit0 -- 5v6 virran tila; 1 normaali 0 poikkeus | ||||||||||
2.2 Yksittäinen alue
கோடெரே பற்றி - 2006 முதல் தோல் பொருட்கள் OEM/ODM நிபுணர்
| Tavu | 0 | 1 | 2 | 3 | 4 | 5 |
| Kuvaile | 0xEE | 0x16 | 0x02 | 0x03 | 0x02 | 0x05 |
2.2.2 Laseretäisyysmoduulin palautus:
| Tavu | 0 | 1 | 2 | 3 | 4 | 5 | 6 | 7 | 8 | 9 |
| Kuvaile | 0xEE | 0x16 | 0x06 | 0x03 | 0x02 | Status | Arvoalueen arvo kokonaisluku korkea 8 bittiä | Arvoalueen kokonaisluku pienempi 8 bittiä | Arvon vaihteluväli desimaaleissa | Check_sum |
| Ensimmäisen / viimeisen kohteen etäisyyttä määritettäessä: Tila: 0x00 osoittaa, että etäisyystulos on yksittäinen kohde; 0x01 osoittaa, että etäisyystuloksessa on etukohde; 0x02 osoittaa, että etäisyystuloksessa on takatavoite; 0x03 varattu; 0x04 osoittaa, että mittaustulos on alueen ulkopuolella; 0x05 varattu;Käytettäessä usean kohteen etäisyyttä:Tila_ bitti3~0: 0x0 osoittaa, että etäisyystulos on yksi kohde; 0x1 osoittaa, että etäisyystuloksessa on etukohde; 0x2 osoittaa, että etäisyystuloksessa on takatavoite; 0x3 osoittaa, että etäisyystuloksessa on etu- ja takatavoite; 0x4 osoittaa, että mittaustulos on alueen ulkopuolella; 0x5 varattu;Tila_ bitti7~4: 0x0 ~ 0xf osoittaa nykyisen etäisyyden tulosnumeron; Arvoalue [0, N-1], kohteiden määrä 1 ≤ N ≤ 16; Aluearvo = alueen arvo kokonaisluku korkea 8 bittiä × 256 + alueen arvo kokonaisluku alhainen 8 bittiä + alueen arvo desimaalibittiä × 0,1, yksikkö m | ||||||||||
2.3 Aseta ensimmäinen / viimeinen / useita kohteita
2.3.1 Lähetä laseretäisyysmoduuliin:
| Tavu | 0 | 1 | 2 | 3 | 4 | 5 | 6 |
| Kuvaile | 0xEE | 0x16 | 0x03 (tietojen pituus) | 0x03 | 0x03 | Kohde | Check_sum |
| Target:0x01 Aseta ensimmäinen kohdealue; 0x02 asettaa terminaalin tavoiteetäisyyden; 0x03 asettaa usean kohteen etäisyyden; | |||||||
2.3.2 Laseretäisyysmoduulin palautus:
| Tavu | 0 | 1 | 2 | 3 | 4 | 5 |
| Kuvaile | 0xEE | 0x16 | 0x02 | 0x03 | 0x03 | 0x06 |
2.4 Jatkuva etäisyys
2.4.1 Lähetä laseretäisyysmoduuliin:
| Tavu | 0 | 1 | 2 | 3 | 4 | 5 |
| Kuvaile | 0xEE | 0x16 | 0x02 | 0x03 | 0x03 | 0x06 |
2.4.2 Laseretäisyysmoduulin palautus:
| Tavu | 0 | 1 | 2 | 3 | 4 | 5 | 6 | 7 | 8 | 9 |
| Kuvaile | 0xEE | 0x16 | 0x06 | 0x03 | 0x04 | Status | Arvoalueen arvo kokonaisluku korkea 8 bittiä | Arvoalueen kokonaisluku pienempi 8 bittiä | Arvon vaihteluväli desimaaleissa | Check_sum |
| Ensimmäisen ja viimeisen kohteen etäisyyttä määritettäessä: Tila: 0x00 osoittaa, että etäisyystulos on yksi kohde; 0x01 osoittaa, että etäisyystuloksessa on etukohde; 0x02 osoittaa, että etäisyystuloksessa on takatavoite; 0x03 varattu; 0x04 osoittaa, että mittaustulos on alueen ulkopuolella; 0x05 varattu;Käytettäessä usean kohteen etäisyyttä:Tila_ bitti3~0: 0x0 osoittaa, että etäisyystulos on yksi kohde; 0x1 osoittaa, että etäisyystuloksessa on etukohde; 0x2 osoittaa, että etäisyystuloksessa on takatavoite; 0x3 osoittaa, että etäisyystuloksessa on etu- ja takatavoite; 0x4 osoittaa, että mittaustulos on alueen ulkopuolella; 0x5 varattu;Tila_ bitti7~4: 0x0 ~ 0xf osoittaa nykyisen etäisyyden tulosnumeron; Arvoalue [0, N-1], kohteiden lukumäärä 1 ≤ N ≤ 16; | ||||||||||
2.5 Lopeta etäisyys
2.5.1 Lähetä laseretäisyysmoduuliin:
| Tavu | 0 | 1 | 2 | 3 | 4 | 5 |
| Kuvaile | 0xEE | 0x16 | 0x02 | 0x03 | 0x05 | 0x08 |
2.5.2 Laseretäisyysmoduulin palautus:
| Tavu | 0 | 1 | 2 | 3 | 4 | 5 |
| Kuvaile | 0xEE | 0x16 | 0x02 | 0x03 | 0x05 | 0x08 |
2.6 Etäisyyspoikkeama
Laseretäisyysmoduulin palautus:
| Tavu | 0 | 1 | 2 | 3 | 4 | 5 | 6 | 7 | 8 | 9 | |
| Kuvaile | 0xEE | 0x16 | 0x06 | 0x03 | 0x06 | varata | varata | varata | Tila1 | Check_sum | |
| Status1: bit0 -- FPGA-järjestelmän tila; 1 normaali 0 poikkeus Bitti1 -- laservalotehon tila; 1 valoteho 0 ei valoa Bitti2 -- pääaallon tunnistuksen tila; 1 pääaalto 0 ei pääaaltoa Bit3 -- kaiun havaitsemisen tila; 1 kaiku 0 ei kaiku Bit4 -- bias kytkimen tila; 1 bias päällä 0 bias pois Bit5 -- bias lähtötila; 1 Bias-jännite on normaali 0 bias epänormaali Bit6 -- lämpötilatila; 1 Lämpötila on normaali 0 epänormaali lämpötila Bit7 -- valoteho pois päältä; 1 kelvollinen 0 ei kelpaaTämä käsky palautetaan vain, kun bit0-7 tilassa1 on epänormaali. | |||||||||||
2.7 Aseta laseretäisyysmoduulin siirtonopeus
2.7.1 Lähetä laseretäisyysmoduuliin:
| Tavu | 0 | 1 | 2 | 3 | 4 | 5 | 6 | 7 | 8 | 9 |
| Kuvaile | 0xEE | 0x16 | 0x06 | 0x03 | 0xA0 | BaudHigh24 | BaudHigh16 | BaudLow8 | BaudLow0 | Check_sum |
2.7.2 Laseretäisyysmoduulin palautus:
| Tavu | 0 | 1 | 2 | 3 | 4 | 5 | 6 | 7 | 8 | 9 |
| Kuvaile | 0xEE | 0x16 | 0x06 | 0x03 | 0xA0 | BaudHigh24 | BaudHigh16 | BaudLow8 | BaudLow0 | Check_sum |
2.18.1 Küldés a lézeres távolságmérő modulba:
2.8.1 Lähetä laseretäisyysmoduuliin:
| Tavu | 0 | 1 | 2 | 3 | 4 | 5 | 6 | 7 |
| Kuvaile | 0xEE | 0x16 | 0x04 (tietojen pituus) | 0x03 | 0x0A1 | Taaj | Num | Check_sum |
| Taajuus: 0x01~0x0A Yksittäinen / jatkuva aluetaajuusNum:0x00 varaus | ||||||||
2.8.2 Laseretäisyysmoduulin palautus:
| Tavu | 0 | 1 | 2 | 3 | 4 | 5 |
| Kuvaile | 0xEE | 0x16 | 0x02 | 0x03 | 0xA1 | 0xA4 |
2.9 Aseta vähimmäisportin etäisyys
2.9.1 Lähetä laseretäisyysmoduuliin:
| Tavu | 0 | 1 | 2 | 3 | 4 | 5 | 6 | 7 |
| Kuvaile | 0xEE | 0x16 | 0x04 (tietojen pituus) | 0x03 | 0xA2 | DIS_H | DIS_L | Check_sum |
| DIS_H: Etäisyys korkea 8 bittiä DIS_L: Etäisyys pienempi 8 bittiä DIS: 10 ~ 20000 Pienin avainnusetäisyysalue, M | ||||||||
2.9.2 Laseretäisyysmoduulin palautus:
| Tavu | 0 | 1 | 2 | 3 | 4 | 5 | 6 | 7 |
| Kuvaile | 0xEE | 0x16 | 0x04 (tietojen pituus) | 0x03 | 0xA2 | DIS_H | DIS_L | Check_sum |
| DIS_H: Etäisyys korkea 8 bittiä DIS_L: Etäisyys pienempi 8 bittiä DIS: 10 ~ 20000 Pienin avainnusetäisyysalue, M | ||||||||
2.10 Kysely vähimmäisportin etäisyyttä
2.10.1 Lähetä laseretäisyysmoduuliin:
| Tavu | 0 | 1 | 2 | 3 | 4 | 5 |
| Kuvaile | 0xEE | 0x16 | 0x02 | 0x03 | 0xA3 | 0xA6 |
2.10.2 Laseretäisyysmoduulin palautus:
| Tavu | 0 | 1 | 2 | 3 | 4 | 5 | 6 | 7 |
| Kuvaile | 0xEE | 0x16 | 0x04 (tietojen pituus) | 0x03 | 0xA3 | DIS_H | DIS_L | Check_sum |
| DIS_H: Etäisyys korkea 8 bittiä DIS_L: Etäisyys pienempi 8 bittiä DIS: 10 ~ 20000 Pienin avainnusetäisyysalue, M | ||||||||
2.11 Aseta suurin portinetäisyys
2.11.1 Lähetä laseretäisyysmoduuliin:
| Tavu | 0 | 1 | 2 | 3 | 4 | 5 | 6 | 7 |
| kuvata | 0xEE | 0x16 | 0x04 (tietojen pituus) | 0x03 | 0xA4 | DIS_H | DIS_L | Check_sum |
| DIS_H: Etäisyys korkea 8 bittiä DIS_L: Etäisyys pienempi 8 bittiä DIS: 10 ~ 20000 Pienin avainnusetäisyysalue, M | ||||||||
| Tavu | 0 | 1 | 2 | 3 | 4 | 5 | 6 | 7 |
| kuvata | 0xEE | 0x16 | 0x04 (tietojen pituus) | 0x03 | 0xA4 | DIS_H | DIS_L | Check_sum |
| DIS_H: Etäisyys korkea 8 bittiä DIS_L: Etäisyys pienempi 8 bittiä DIS: 10 ~ 20000 Pienin avainnusetäisyysalue, M | ||||||||
2.12 Pyydä suurin portinetäisyys
2.12.1 Lähetä laseretäisyysmoduuliin:
| Tavu | 0 | 1 | 2 | 3 | 4 | 5 |
| kuvata | 0xEE | 0x16 | 0x02 | 0x03 | 0xA5 | 0xA8 |
| Tavu | 0 | 1 | 2 | 3 | 4 | 5 | 6 | 7 |
| kuvata | 0xEE | 0x16 | 0x04 (tietojen pituus) | 0x03 | 0xA5 | DIS_H | DIS_L | Check_sum |
| DIS_H: Etäisyys korkea 8 bittiä DIS_L: Etäisyys pienempi 8 bittiä DIS: 10 ~ 20000 Pienin avainnusetäisyysalue, M | ||||||||
2.13 Pyydä FPGA-ohjelmiston versionumero
Ellenőrizze a tápellátást és a csatlakozókábelt.
| Tavu | 0 | 1 | 2 | 3 | 4 | 5 |
| kuvata | 0xEE | 0x16 | 0x02 | 0x03 | 0xA6 | 0xA9 |
2.13.2 Laseretäisyysmoduulin palautus:
| Tavu | 0 | 1 | 2 | 3 | 4 | 5 | 6 | 7 | 8 | 9 |
| kuvata | 0xEE | 0x16 | 0x06 | 0x03 | 0xA6 | Versio | Päivämäärä | MonVuosi | Tekijä | Check_sum |
| Versio: bit7~bit4 Pääversionumero (1~15) bit3~bit0 Pieni versionumero (0~15) esim.: 0x10——V1.0Data: Päivämäärä(1~31)Maanvuosi: bit7~bit4 kuukausi(1~12)bitt3~0, tietty vuosi 5~ 0,0). 2020-2035 Kirjoittaja: 0x6c cliu; 0x5d dwu 0xcc cycheng | ||||||||||
2.14 MCU-ohjelmiston versionumeron kysely
2.14.1 Lähetä laseretäisyysmoduuliin:
| Tavu | 0 | 1 | 2 | 3 | 4 | 5 |
| kuvata | 0xEE | 0x16 | 0x02 | 0x03 | 0xA7 | 0xAA |
| Tavu | 0 | 1 | 2 | 3 | 4 | 5 | 6 | 7 | 8 | 9 |
| kuvata | 0xEE | 0x16 | 0x06 | 0x03 | 0xA7 | Versio | Päivämäärä | MonVuosi | Tekijä | Check_sum |
| Versio: bit7~bit4 Pääversionumero (1~15)bit3~bit0 Pieni versionumero (0~15)esim: 0x10——V1.0Data: Päivämäärä(1~31)MaVuosi: bit7~bit4 kuukausi(1~12)bitt3~bit0, tietty vuosi 5~bit0) 2020-2035 Kirjoittaja: 0x00 jyang 0xf1 llfu 0x01 zqxiong | ||||||||||
2.15 Laitteiston versionumeron kysely
2.15.1 Lähetä laseretäisyysmoduuliin:
| Tavu | 0 | 1 | 2 | 3 | 4 | 5 |
| kuvata | 0xEE | 0x16 | 0x02 | 0x03 | 0xA8 | 0xAB |
2.15.2 Laseretäisyysmoduulin palautus:
| Tavu | 0 | 1 | 2 | 3 | 4 | 5 | 6 | 7 | 8 | 9 | |
| kuvata | 0xEE | 0x16 | 0x06 | 0x03 | 0xA8 | MBVS | CTVS | APDVS | LDVS | Check_sum | |
| MBVS: Emolevyn laitteistoversion numeroCTVS: Ohjauslevyn laitteistoversion numeroApdvs: tunnistuskortin laitteistoversion numeroLDVS: Ohjainkortin laitteistoversion numero Bit7 ~ bit4 pääversionumero (1 ~ 15) bit3 ~ bit0 pieni versionumero (0 ~ 15) esim.:0x10——V1. 0 | |||||||||||
2.16 Sn-numeron kysely
2.16.1 Lähetä laseretäisyysmoduuliin:
| Tavu | 0 | 1 | 2 | 3 | 4 | 5 |
| kuvata | 0xEE | 0x16 | 0x02 | 0x03 | 0xA9 | 0xAC |
2.16.2 Laseretäisyysmoduulin palautus:
| Tavu | 0 | 1 | 2 | 3 | 4 | 5 | 6 | 7 | 8 |
| kuvata | 0xEE | 0x16 | 0x05 | 0x03 | 0xA9 | MonVuosi | Num_H | Num_L | Check_sum |
| Monyear: bit7 ~ bit4 kuukautta (1 ~ 12) bitti3 ~ bit0 vuotta (0 ~ 15), mikä vastaa 2020 ~ 2035Num_ H: Numero on 8 numeroa highNum_ 50: NoNum:n alemmat 8 numeroa: 1 ~ 999 Ei | |||||||||
2.17 Valon kokonaiskesto
2.17.1 Lähetä laseretäisyysmoduuliin:
| Tavu | 0 | 1 | 2 | 3 | 4 | 5 |
| kuvata | 0xEE | 0x16 | 0x02 | 0x03 | 0x90 | 0x93 |
| Tavu | 0 | 1 | 2 | 3 | 4 | 5 | 6 | 7 | 8 |
| kuvata | 0xEE | 0x16 | 0x05 | 0x03 | 0x90 | PNUM3 | PNUM2 | PNUM1 | Check_sum |
| PNUM3: valon kokonaistuottoajat, bit23 ~ bit16PNUM2: valon kokonaistuottoajat, bit15 ~ bit8PNUM1: valon kokonaistuottoajat, bit7 ~ bit0 | |||||||||
2.18 Kysy virran päälle- ja sammutusaikoja tällä kertaa
2.18.1 Lähetä laseretäisyysmoduuliin:
| Tavu | 0 | 1 | 2 | 3 | 4 | 5 |
| kuvata | 0xEE | 0x16 | 0x02 | 0x03 | 0x91 | 0x94 |
2.18.2 Laseretäisyysmoduulin palautus:
| Tavu | 0 | 1 | 2 | 3 | 4 | 5 | 6 | 7 | 8 |
| kuvata | 0xEE | 0x16 | 0x05 | 0x03 | 0x91 | PNUM3 | PNUM2 | PNUM1 | Check_sum |
| PNUM3: valon kokonaistuottoajat, bit23 ~ bit16PNUM2: valon kokonaistuottoajat, bit15 ~ bit8PNUM1: valon kokonaistuottoajat, bit7 ~ bit0 | |||||||||
3 Esimerkki ohjeesta
| 3.1 Laitteiden itsetarkastus LÄHETÄ: ee 16 02 03 01 04RECV: ee 16 06 03 01 ff 00 f7 ff f9 | 3.5 Aseta ensimmäinen tavoite LÄHETÄ: ee 16 03 03 03 01 07 RECV: ee 16 02 03 03 06 |
| 3.2 Yksittäinen LÄHETYS: ee 16 02 03 02 05RECV: ee 16 06 03 02 04 00 00 00 09 | 3.6 Aseta lopputavoite LÄHETÄ: ee 16 03 03 03 02 08 RECV: ee 16 02 03 03 06 |
| 3.3 Jatkuva etäisyysLÄHETÄ: ee 16 02 03 04 07RECV: ee 16 06 03 04 04 00 00 00 0bRECV: ee 16 06 03 04 04 00 00 00 …RECV: 0b | 3.7 Aseta useita tavoitteita LÄHETÄ: ee 16 03 03 03 03 09 RECV: ee 16 02 03 03 06 |
| 3.4 Lopeta lähetys LÄHETÄ: 16 02 03 05 08 RECV: 16 02 03 05 08 | 3.8 Aseta jatkuva taajuusalue 1HzLÄHETYS: ee 16 04 03 a1 01 00 a5RECV: ee 16 02 03 a1 a4 |
| 3.9 Aseta jatkuva taajuusalue 5HzLÄHETYS: ee 16 04 03 a1 05 00 a9RECV: ee 16 02 03 a1 a4 |
1. Jotta käyttäjät voisivat käyttää STA-AM30X pienoislaseretäisyysmittarin eri toimintoja turvallisesti ja oikein, tämä käyttö- ja huolto-opas sisältää ohjeita sen käytöstä ja huollosta. Se koskee tämän tuotteen käyttäjiä ja huoltohenkilöstöä.
Miniatyyri laseretäisyysmittari STA-AM30X (jäljempänä laseretäisyysmittari) on tarkkuusoptoelektroninen tuote, joka lähettää laseria kohti mitattua kohdetta ja laskee etäisyystiedot laserin lentoajan perusteella. Tämä laseretäisyysmittari kommunikoi Uart (TTL_3.3V) -viestintäliitännän kautta, ja sille on ominaista erinomainen suorituskyky ja yksinkertainen käyttö. Tämän etäisyysmittarin laseria ei saa altistaa suoraan ihmissilmille.
2.1 Materiaalisuositukset
Optisen ikkunan materiaaliksi suositellaan optista lasia H-K9L. H-K9L on yleisin väritön optinen lasi, joka soveltuu laseralueelle 300nm - 2100nm. Sillä on korkea kustannus-suorituskykysuhde ja erinomaiset fyysiset ominaisuudet.
2.2 Käsittelysuositukset
Optisen ikkunan kiilakulmatoleranssin tulee olla mahdollisimman pieni. On suositeltavaa, että kiilakulman toleranssi on ≤ 3' (toleranssiluokka ≤ taso 7);
Optisen ikkunan optisen pinnan tulee olla mahdollisimman sileä. On suositeltavaa, että profiilin aritmeettinen keskipoikkeama (Ra) on 0,012.
2.3 Pinnoitussuositukset
Jos koko järjestelmäintegraatiossa käytetään ikkunalinssiä, on suositeltavaa, että linssin läpäisykyky on >98 % 1535±20nm aallonpituuskaistalla, jonka paksuus on ≤2mm. Linssin ja moduulin päätypinnan välisen etäisyyden tulee olla ≤3 mm, kiertokulman ≤1,5° ja nousukulman ≤30°.
1535 nm:n laseretäisyysmittarin optiselle ikkunalle on suositeltavaa päällystää heijastuksenestokalvo alueella 1525–1545 nm, jonka läpäisy on ≥ 99 %.
Tuotteen käyttöympäristön mukaan optisen ikkunan ulkopinnalle voidaan lisäksi valita muita suojakalvoja, kuten hydrofobinen kalvo tai kova kalvo. Katso muut indikaattorit MIL-STD-810G:stä, ja läpäisykyvyn tulee olla ≥ 97 %.
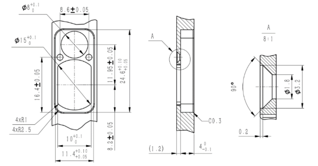
2.4 Suositukset optisen ikkunan muotoon ja käyttöön
Optisen ikkunan tehollinen aukko riippuu eri tuotteista. Sen ulkomitan tulee varmistaa, että optisen ikkunan tehollinen aukko - optisen ikkunan ulkohalkaisija ≥ 2 mm ja etäisyysmittarin antennin ulkohalkaisija - optisen ikkunan tehollisen aukon projisoitu mitta ≥ 1,5 mm. Kaaviokaavio esitetään seuraavasti. Koska optisella ikkunalla on tietty laserin absorptio, on suositeltavaa, että itse optisen ikkunan paksuutta säädetään 2-4 mm:n sisällä ulkomitan mukaan.
Ensimmäisen ja viimeisen kohteen etäisyyttä määritettäessä: Tila: 0x00 osoittaa, että etäisyystulos on yksi kohde; 0x01 osoittaa, että etäisyystuloksessa on etukohde; 0x02 osoittaa, että etäisyystuloksessa on takatavoite; 0x03 varattu; 0x04 osoittaa, että mittaustulos on alueen ulkopuolella; 0x05 varattu;Käytettäessä usean kohteen etäisyyttä:Tila_ bitti3~0: 0x0 osoittaa, että etäisyystulos on yksi kohde; 0x1 osoittaa, että etäisyystuloksessa on etukohde; 0x2 osoittaa, että etäisyystuloksessa on takatavoite; 0x3 osoittaa, että etäisyystuloksessa on etu- ja takatavoite; 0x4 osoittaa, että mittaustulos on alueen ulkopuolella; 0x5 varattu;Tila_ bitti7~4: 0x0 ~ 0xf osoittaa nykyisen etäisyyden tulosnumeron; Arvoalue [0, N-1], kohteiden lukumäärä 1 ≤ N ≤ 16;
Optisen ikkunan tehollinen aukko y2 - optisen ikkunan ulkohalkaisija y1>2mm
Etäisyysmittarin antennin ulkohalkaisija3 - optisen ikkunan tehollisen aukon projektiokoko y2,> 1,5 mm
Epänormaali etäisyys (vain kun etäisyyspoikkeavuuskomennon tila on epänormaali, komento palautetaan sen jälkeen, kun yksittäisen etäisyyden tai jatkuvan mittauksen vastauskomento on palautettu)
Etäisyysmittarin antennin ulkohalkaisija x3 - optisen ikkunan tehollisen aukon projektiokoko x2,> 1,5 mm
Optisen ikkunan ja etäisyysmittarin välisen ilmaraon d tulee olla mahdollisimman pieni
Kaaviokaaviot kahdesta tavasta optisen ikkunan ulkomitoista ja sijoittelusta
3. Käyttö Jotta ymmärrät täysin tämän järjestelmän toiminnot ja hallitset oikein asennus-, käyttö- ja huoltomenetelmät, lue tämän luvun sisältö huolellisesti ennen tämän järjestelmän asentamista ja käyttöä.
3.1 Käynnistystoiminto
3.1.1 Ennen virran kytkemistä
Liitä laseretäisyysmittari, virheenkorjauskaapeli, tasavirtalähde ja isäntätietokone kuvan osoittamalla tavalla.
Kytkentäkaavio
3.1.2 Virta päälle
Käynnistyskäyttö: Liitä virtalähde.
3.2 Virran katkaisutoiminto
3.2.1 Ennen virran katkaisua
a) Vaihda liitäntäkaapeli ja virtalähde. b) Yhteysongelmissa ota yhteyttä valmistajaan saadaksesi apua niiden ratkaisemisessa.
3.2.2 Virran katkaisu
Virran sammutusvaiheet: Irrota virtalähde.
3.3 Käyttö
3.3.1 Etäisyystila
Etäisyystilan toimintatapa:
a) Lähetä "Single Ranging" -komento laseretäisyysmittarille. Laseretäisyysmittari suorittaa yhden etäisyyden ja raportoi etäisyyden tilan ja etäisyysarvon.
b) Lähetä "1Hz Ranging" -komento laseretäisyysmittarille. Laseretäisyysmittari suorittaa etäisyyden kerran sekunnissa ja raportoi mittaustilan ja etäisyysarvon.
c) Lähetä "Stop Ranging" -komento lopettaaksesi etäisyydenmittauksen.
d) Lähetä "5Hz Ranging" -komento laseretäisyysmittarille. Laseretäisyysmittari suorittaa etäisyyden viisi kertaa sekunnissa ja raportoi mittaustilan ja etäisyyden arvon.
e) Lähetä "Stop Ranging" -komento lopettaaksesi etäisyydenmittauksen.
f) Lähetä "10Hz Ranging" -komento laseretäisyysmittarille. Laseretäisyysmittari suorittaa etäisyyden kymmenen kertaa sekunnissa ja raportoi mittaustilan ja etäisyyden arvon.
g) Lähetä "Stop Ranging" -komento lopettaaksesi etäisyydenmittauksen.
3.3.2 Etäisyysportin asetus
Etäisyysavainnuksella tarkoitetaan avainnusetäisyyden osan asettamista (esitetty heksadesimaalilukuna) etäisyyden kykyalueella. Avainnusarvoa pienempi tavoiteetäisyystieto ei lähetä takaisin, ja mittausalueen avainnusarvoa korkeampi etäisyysarvo on tehollinen etäisyysarvo.
Jos asetusta tarvitaan, toimintatapa on seuraava:
a) Lähetä "Gating Value Setting" -komento laseretäisyysmittarille.
Lähetä "Etäisyys"-komento laseretäisyysmittarille. Laseretäisyysmittari suorittaa etäisyysmittauksen, määrittää, onko takaisinlähetyksen etäisyysarvo suurempi kuin etäisyysavainnusarvo, ja raportoi sitten etäisyystuloksen.
c) Pysäytä etäisyysmittaus lähettämällä "Stop Ranging" -komento. Jos etäisyysavainnustoimintoa ei tarvita, alkuperäiset asetukset on palautettava manuaalisesti (aseta avainnusarvoksi 0).
3.3.3 Itsetarkistustila
Itsetarkastuksen toimintatapa:
a) Lähetä "itsetarkistuskysely" -ohje laseretäisyysmittarille. Laseretäisyysmittari alkaa suorittaa itsetarkistusta ja lähettää takaisin tietoja, kuten nykyisen ympäristön lämpötilan ja toimintatilan.
4. Tarkastus ja huolto
4.1 Yleinen tarkastus
Silmämääräinen tarkastus ja käynnistystarkastus tulee suorittaa, kun tuotetta käytetään ensimmäisen kerran ja resurssimoduulin vaihdon jälkeen. Normaalikäytössä oleville tuotteille vaaditaan vain käynnistystarkastus ennen käyttöä.
4.1.1 Silmämääräinen tarkastus
Silmämääräisen tarkastuksen vaiheet ovat seuraavat:
a) Tarkista, onko tuotteen ulkonäkö normaali;
b) Tarkista, onko kaapeliliitännässä virhe, ja liitännän tulee olla kiinteä.
4.1.2 Käynnistyksen tarkastus
Käynnistystarkastuksen vaiheet ovat seuraavat:
a) Suorita virran kytkeminen loppuun kohdan 3.1 vaiheiden mukaisesti;
b) Käynnistä itsetestimoduuli;
c) Kun tarkastus on suoritettu, suorita virrankatkaisu loppuun kohdan 3.2 vaiheiden mukaisesti.
4.2 Säännöllinen huolto
Laseretäisyysmittari ei tarvitse huoltoa normaaleissa työoloissa. Huolto on tarpeen, jos sitä säilytetään pölyttömässä ympäristössä yli vuoden. Huoltosisältö sisältää:
4.2.1 Yleinen tarkastus
Suorita tuotteen yleinen tarkastus, kun siinä ei ole virtaa. Vaiheet ovat seuraavat:
a) Kaikkien tuotteessa ja testikaapelin pistokkeessa (pistorasiassa) olevien merkkien ja numeroiden tulee olla oikein ja selkeitä;
b) Kaikenlaiset paneelin ruuvit tulee kiristää;
c) On varmistettava, että tuotteen optisessa lasissa ei ole kiinnityksiä, kuten vaaleita täpliä, naarmuja, vesitahroja, hometta, sormenjälkiä, pölyhiukkasia jne. eikä halkeamia, jotka haittaavat normaalia havaitsemista tuotteen optisessa lasissa.
4.2.2 Käynnistyksen tarkastus
Suorita laseretäisyysmittarin kattava tarkastus ja huolto, kun se on päällä. Sisältö sisältää:
a) Kytke tuotteen virta päälle peräkkäin;
b) Suorita virran kytkeminen loppuun kohdan 3.1 vaiheiden mukaisesti;
c) Käynnistä tuotteen itsetestimoduuli ja suorita tuotteen itsetesti;
d) Suorita virrankatkaisu loppuun kohdan 3.2 vaiheiden mukaisesti.
5. Vian oireiden ja vianetsintämenetelmien analyysi
Laseretäisyysmittari on tarkkuustuote. Vian ilmetessä koko laite on palautettava tehtaalle vian analysointia, paikantamista ja korjausta varten. Itsekorjaus ei ole sallittua.
Yleiset vikaoireet ja vianetsintämenetelmät on esitetty seuraavassa taulukossa.
Yleiset vian oireet ja vianetsintämenetelmät
| Vian oireet | Mahdollisia syitä | Tarkastusmenetelmä | Toimenpiteet vianetsintää varten |
| Tuotteeseen ei voi kytkeä virtaa normaalisti. | a) Virtalähteen ja liitäntäkaapeleiden viat.b) Piirihäiriöt. | Tarkista virtalähde ja liitäntäkaapeli. | a) Vaihda virtalähde tai liitäntäkaapeli.b) b) Jos piirissä on vika, ota yhteyttä valmistajaan saadaksesi apua ongelman ratkaisemisessa. |
| Sarjaporttilähetin, TTL 3.3V Taso | a) Vika liitäntäkaapelissa b) Epänormaali virtalähde c) c) Laseretäisyysmittarin tiedonsiirtovika | a) Tarkista, onko liitäntäkaapeli normaali.b) Tarkista, onko virtalähde normaali. | a) Vaihda liitäntäkaapeli ja virtalähde. b) Yhteysongelmissa ota yhteyttä valmistajaan saadaksesi apua niiden ratkaisemisessa. |
6. Pakkaamista, kuljetusta ja varastointia koskevat vaatimukset
6.1 Pakkaus
Tuotteet, jotka on avattu ja jotka on täytettävä uudelleen, tulee pakata alkuperäisen pakkauksen mukaisesti. Kun tuotteet on palautettava tehtaalle, tulee käyttää mahdollisimman paljon alkuperäistä pakkausta. Kun käytetään muita pakkausmuotoja, se ei saa heikentää tuotteen suorituskykyä tai vahingoittaa tuotteita.
6.2 Kuljetus
Uudelleen pakatut tuotteet voidaan kuljettaa autoilla, junilla, lentokoneilla, laivoilla jne. Pakatut tuotteet tulee kuljetuksen aikana kiinnittää kuljetusvälineeseen, jotta vältetään sellaiset ilmiöt kuin isku, kovakourainen käsittely sekä altistuminen sateelle ja lumelle. Katso maantie- ja rautatiekuljetusten ympäristöistä MIL-STD-810G.
6.3 Varastointi
Uudelleenpakattuja tuotteita ei saa säilyttää ulkona luonnossa. Ne tulee säilyttää varastossa, jonka säilytyslämpötila on 0 ℃ - +30 ℃, suhteellinen kosteus enintään 80 %, vapaa syövyttävien aineiden eroosiosta, voimakkaasta mekaanisesta tärinästä ja iskuista sekä voimakkaista magneettikentistä.
Jotta voit käyttää tätä tuotetta turvallisesti, lue tämä käyttöohje huolellisesti ennen tuotteen käyttöä.
l Tämä laseretäisyysmittari on tarkkuusoptinen ja mekaaninen tuote. Sen käyttö määräysten vastaisesti voi johtaa vaarallisiin laservammoihin. Älä avaa tai säädä mitään laseretäisyysmittarin osaa äläkä yritä korjata tai säätää laseretäisyysmittarin suorituskykyä itse.
l Huomioi sähköstaattinen suojaus: Laseretäisyysmittarin elektroniset komponentit ovat herkkiä sähköstaattisille purkauksille. Älä koske elektronisiin laitteisiin ilman suojatoimenpiteitä.
l Kytke laseretäisyysmittarin virta päälle vain, jos sitä käytetään määritetyllä jännite- ja tehoalueella.
l Optisten linssien koskettaminen sormilla tai kovilla esineillä on kiellettyä (öljyn likaantumisen tai linssien naarmuuntumisen estämiseksi).
l Erittäin heijastavien kohteiden mittaaminen liian läheltä (ilmaisimen ydinosien vaurioitumisen estämiseksi jne.) on kielletty.
l Laseretäisyysmittarin säilyttäminen määrittelemättömissä olosuhteissa (kuten erittäin saastunut ympäristö, säilytyslämpötila-alueen ylittäminen jne.) on kielletty.
l Laseretäisyysmittaria ei saa altistaa voimakkaille mekaanisille iskuille (värähtely, isku, pudottaminen jne.).
OEM/ODM 1-90 km LRF-moduuli
Shenzhen Jiguang Technology Co., Ltd
Sähköposti: sales@jioptics.com
Verkkosivusto:www.jioptics.com
Osoite: 2017 Longcheng Avenue, Longgangin alue, Shenzhen