Koti > Tuotteet > Laseretäisyysmittari moduuli > 1535 nm:n laseretäisyysmittarimoduuli > 7 km silmän turvallinen laser-etäisyysmoduuli (LRF)
7 km silmän turvallinen laser-etäisyysmoduuli (LRF)
  • 7 km silmän turvallinen laser-etäisyysmoduuli (LRF)7 km silmän turvallinen laser-etäisyysmoduuli (LRF)

7 km silmän turvallinen laser-etäisyysmoduuli (LRF)

STA-B0710X on ihmisen silmä-turvallinen laseretäisyyden mittausmoduuli, joka pystyy havaitsemaan kohdeetäisyyden ja lähettämään mitatun etäisyyden ylätietokoneelle sarjaviestinnän kautta. Näkyvyys ≥ 15 km, kohteen heijastavuus ≥ 0,3, kosteus ≤ 80%, ajoneuvo (2,3 m × 2,3 m Naton kohde) etäisyys ≥7 km; rakennuskohteet enintään 10 km.

Lähetä kysely

Tuotteen Kuvaus
Päätoiminnot

(1) yksittäinen ja jatkuva;
(2) vastaaminen laserille, jotka vaihtelevat komentoja ja voi lopettaa aina STOP -komennon mukaan;
(3) lähtöetäisyystiedot ja tilatiedot kerran pulssia kohti etäisyyden mittauksen aikana;
(4) se voi raportoida siirrettävien laserpulssien kumulatiivisen määrän (ei virran menettämistä);
(5) etäisyysvalinta, etu- ja takakohteen osoitus;
(6) Itsetestaustoiminto.

Tuotteen esittely

B0710X Laser Rangefinder -moduuli on sotilaallinen pulssilaser -etäisyysmittari, joka on suunniteltu sovellusskenaarioihin, kuten lentokoneisiin, miehittämättömiin ilma -ajoneuvoihin, säiliöihin ja laajuuteen. Sillä on pieni koko, kevyt, pieni virrankulutus, vakaa suorituskyky, pitkä mittausetäisyys ja pitkä käyttöikä, ihmisen silmäturvallisuus ja muut edut, se on tärkeä tekninen laite tuotteen tavoitteen tarkkuuden parantamiseksi.

Tuoten suorituskykyindeksi B0710X Eye-Safe LRF -moduulille

Esine Tekninen parametri Ohje
Malli STA-B0710X
Toimiva aallonpituus 1535 ± 5nm
Silmien turvallisuus Luokka 1 (IEC 60825-1)
Aukon vastaanottaminen Φ33mm
Päästö Φ14 mm
Etäisyys 50m-10 km
Etäisyys ≥14000m Max -alue, heijastavuus: 0,9, tarkkailijan näkyvyys 25 km
≥10000m Rakennuskohteet, heijastavuus: 0,6, tarkkailijan näkyvyys 25 km
≥7000m Naton kohde
≥4500m Ihmisen kohde
≥1500m UAV -tavoite
Mini -alue 50m
Monitasoinen havaitseminen Enintään 3 tavoitetta
Etäisyystarkkuus ± 1m 3D
Etäisyystaajuus 1 ~ 10 Hz säädettävä
Tarkkuusaste ≥98%
Väärä hälytysnopeus 1%
Erilainen kulma ≤0,3 mrad
Viestintärajapinta RS422 TTL/RS232 -käyttöliittymä voidaan mukauttaa
Jännite 9 ~ 32 V Tulojännite voidaan mukauttaa vaatimusten mukaisesti
Työvoima ≤3W (@10Hz) Normaali lämpötilakoe
Huippuvoima ≤5W Normaali lämpötilakoe
Mekaaninen shokki 75 g, 1 ms
Työlämpötila -40 ℃~+60 ℃
Säilytyslämpötila -45 ℃~+70 ℃
Luotettavuus MTBF ≥ 1500h
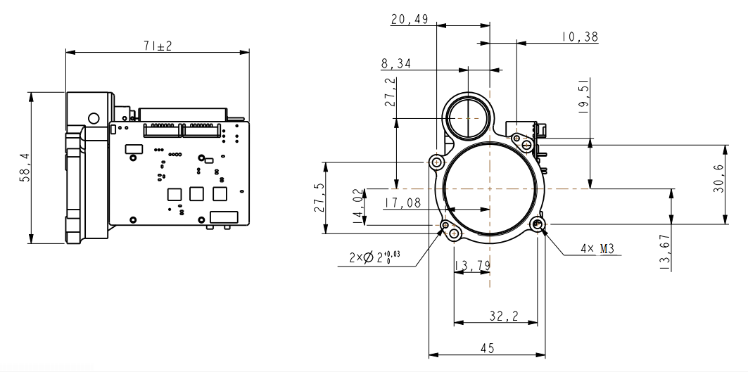
Koko ≤73 × 45 × 59 mm
Paino ≤133 g
Päätoiminto Ensimmäinen ja viimeinen tavoite, monitasoinen, etäisyys selektiivisyys

Huomautuksia:

1) Naton kohteen koko 2,3 m × 2,3 m; Ihmisen tavoitekoko 0,5 m × 1,7 m; UAV -kohteen koko 0,2 M × 0,3 m; Heijastavuus 30%, tarkkailijan näkyvyys ≥ 15 km

Rakenteen asennusrajapinta



Ulkoinen rajapinta

Nasta Määritelmä Funktio Muistiinpanot
1 RX+ RS422 -vastaanotin + Sininen
2 RX- RS422 -vastaanotin - Vihreä
3 TX- RS422 -lähetys - Violetti
4 TX+ RS422 -siirto + Keltainen
5 Hölynpöly Viestinnän maadoitus Valkoinen
6 Vee Virtalähde + Punainen
7 Hölynpöly Virtalähde - Musta
8 Pwn ja / Tuhka

Ympäristön sopeutumiskyky

a) Työlämpötila : -40 ℃~+60 ℃。
b) Varastointilämpötila : -45 ℃~+70 ℃。
C) Satunnainen tärinä: 15 ~ 2000Hz, 3 suuntaa. Erityiset testiolosuhteet on esitetty taulukossa 1.

Taulukko 1 Satunnaiset värähtelykoeolosuhteet

Sarjanumero Taajuusalue (Hz) Kiihdytysspektritiheys (G2/HZ) Tärinän aika (min)
1 15 ~ 190 0.01 Värähtely joka suuntaan 15 minuuttia
2 190 ~ 210 0.1
3 210 ~ 380 0.01
4 380 ~ 420 0.025
5 420 ~ 2000 0.01

OEM/ODM -moduulit ja mukautetut ratkaisut

B0710X on suunniteltu järjestelmäintegraattoreille, jotka etsivät kätevää, tehokasta ja kompaktia laserliuosta. Se tarjoaa luotettavan suorituskyvyn monissa sovelluksissa.
Se on hyvin pieni, erittäin kevyt, on alhainen virrankulutus ja sitä voidaan mitata pitkän matkan aikana. Se sopii kädessä pidettävään laitteeseen (lämpökuvaus), aseen kiinnityssovelluksiin, kannettaviin järjestelmiin ja kevyisiin anturipakoihin ja miehittämättömiin ilma -ajoneuvoihin tai UGV: iin.

Kommunikointiprotokolla

1. Lähetysprotokolla: asynkroninen sarjaviestintä;
2. Porttinopeus: 115200;
3. Data -bitit: 10 bittiä: yksi aloitusbitti, 8 databittiä, yhden pysäytysbitti, virheellinen tarkistus;
4. Tietorakenne: Tiedot koostuu otsikon tavusta, komentoosasta, datan pituudesta, parametrien osasta ja tarkista tavu;
5. Viestintätila: Pääohjaus lähettää ohjauskomennot etäisyyskoneeseen, ja etäisyyskone vastaanottaa ja suorittaa ohjeet. Aluetilassa etäisyyslaite lähettää tietoa ja tilannetta takaisin ylemmälle tietokoneelle etäisyyden syklin mukaan. Viestintämuoto ja komennon sisältö näkyy seuraavassa taulukossa.
A) Pääohjaus lähettää
Lähettävän viestin muoto on seuraava:

STX0 Cmd Lensi Data1h Data1L Pakka

Taulukko 2 Muoto Kuvaus lähetetystä viestistä

tilausnumero nimi selittää koodi huomautukset
1 STX0 Viestin aloituslippu A5 (H)
2 Cmd CW Katso taulukko 3
3 Lensi DL Kaikkien tavujen lukumäärä paitsi aloitusmerkki, komento sana ja tarkistussumma
4 Data parametri Katso taulukko 3
5 saapuminen
6 Pakka XOR -varmennus Lukuun ottamatta kelvollista tavua, kaikki muut tavut ovat xored

Komento kuvataan seuraavasti:
Taulukko 3 Kuvaus komentoista ja datasanoista, jotka päällikkö on lähettänyt etäisyydelle

tilausnumero CW funktio tavu huomautukset pituus Esimerkkikoodi
1 0x00 lopettaa Datah = 00 (h) datal = 00 (h) Etäisyysmittari lopettaa mittauksen Kuusi tavua A5 00 02 00 A7
2 0x01 Yksiväli Datah = 00 (h) datal = 00 (h)
Kuusi tavua A5 01 02 00 00 A6
3 0x02 Jatkuva Datah = xx (h) datal = yy (h) Tiedot kuvaavat etäisyyttä, MS: ssä Kuusi tavua A5 02 02 03 E8 4E (1Hz aina)
4 0x03 itsensä tarkistaminen Datah = 00 (h) datal = 00 (h)
Kuusi tavua A5 02 02 00 A4
5 0x04 Aseta lähin etäisyys valintaan Datah = xx (h) datal = yy (h) Tiedot kuvaavat sokean vyöhykkeen arvoa, yksikkö 1m Kuusi tavua A5 04 02 00 64 C7 (100m on lähin etäisyys)
6 0x06 Kumulatiivinen määrä valonlähtökyselyjä Datah = 00 (h) datal = 00 (h) Kumulatiivinen määrä valonlähtökyselyjä Kuusi tavua A5 06 02 00 A1
7 0x11 APD -voima on päällä Datah = 00 (h) datal = 00 (h)
Kuusi tavua A5 11 02 00 B6
8 0x12 APD -voima on pois päältä Datah = 00 (h) datal = 00 (h)
Kuusi tavua A5 12 02 00 B5
9 0xeb Numerokysely Datah = 00 (h) datal = 00 (h) Numerokysely Kuusi tavua A5 EB 02 00 00 4C

a) Pääohjaus vastaanottaa muodon
Vastaanotetun viestin muoto on seuraava:

STX0 Cmd Lensi DATAn Päivämäärä0 Pakka

tilausnumero nimi selittää koodi huomautukset
1 STX0 Viestin aloituslippu 1 A5 (H)
2 Cmd_jg Datakomennon sana Katso taulukko 5
3 Lensi DL Kaikkien tavujen lukumäärä paitsi aloitusmerkki, komento sana ja tarkistussumma
4 DN parametri Katso taulukko 5
5 D0
6 Pakka XOR -varmennus Lukuun ottamatta kelvollista tavua, kaikki muut tavut ovat xored

Pääohjaus vastaanottava tila Kuvaus:
Taulukossa 5 kuvataan etäisyysmittarin lähettämä datasana pääohjaimeen

tilausnumero CW funktio tavu huomautukset kokonaispituus
1 0x00 lopettaa D1 = 00 (H) d0 = 00 (H)
Kuusi tavua
2 0x03 itsensä tarkistaminen D8 ~ d1 D8-D7: -5 V JOLLISUUS, YKSIKKÖ 0.01V.D6-D5: Sokea spot-arvo, Yksikkö 1MD4: APD: n korkeajännitearvo, yksikkö V; D3: hiilityyppi, osoittaen APD: n lämpötilan, yksikkö: aste Celsius; D2-D1: +5 V jännite, yksikkö 0,01 V 12 tavua
3 0x04 Etäisyys lähimpään pääsyasetukseen, yksikkö m D1 D0 Tiedot kuvaavat lähimmän etäisyysarvoa, yksikköä 1m; aloita korkea ja pää matala Kuusi tavua
4 0x06 Kumulatiivinen määrä valonlähtökyselyjä D3 ~ d0 Tiedot ilmaisevat valojen lukumäärän, 4 tavua, korkealla tavulla ensin Seitsemän tavua
5 0x11 APD -voima on päällä D1 = 00 (H) d0 = 00 (H) APD -voima on päällä Kuusi tavua
6 0x12 APD -virta D1 = 00 (H) d0 = 00 (H) APD -voima on pois päältä Kuusi tavua
7 0xed Ylityöt 0x00 0x00 Laser on laserin työsuojauksessa, eikä sitä voida mitata. Kuusi tavua
8 0xee Tehokkuusvirheet 0x00 0x00
Kuusi tavua
9 0xef Sarjaporttiviestinnän aikakatkaisu 0x00 0x00
Kuusi tavua
10 0x01 Yhden alueen mittaus (yksi tavoite, nolla toiselle ja kolmannelle tavoitteelle, nolla kolmannelle kohteelle kohteen alussa ja lopussa) D9D8 D7 D6D5 D4 D3D2 D1 D0 D8-D6 Ensimmäinen tavoiteetäisyys (yksikkö 0,1 m) D5-D3-etäisyys toiseen kohteeseen (yksikkö: 0,1 m) D2-D0 kolmas tavoiteetäisyys (yksikkö 0,1 m) 3. Tavoitteet ovat lähellä Fard9 (Bit7-bit00) lipun tavua: D9 on seitsemäs sijainti, joka osoittaa pääaallon; 1: Pääaalto on, 0: Ei pääaaltoa.d9 on kuudes sijainti, joka osoittaa kaikua; 1: Echo, 0: Ei echod9, viides sijainti osoittaa lasertilan; 1: Normaali laser, 0: Laser -vika9 on aikakatkaisun lipun neljäs bitti, 1: Normaali, 0: aikakatkaisu9 on virheellinen kolmannessa asennossa (asetettu arvoon 1); D9 Toinen sijainti osoittaa APD -tilan; 1: Normaali, 0: Virhe9 on ensimmäinen sijainti, joka osoittaa, onko aikaisempaa kohdetta; 1: Edellisellä tavoitteella on aikaisempi, 0: Ei aikaisempaa kohdetta (kohde sokealla alueella) .D9 0. bitti osoittaa, onko seuraavaa kohdetta; 1: Seuraava kohde on 0: Ei myöhempää kohdetta (pääkohde pääkohde on seuraava kohde) 14 tavua
11 0x02 Jatkuva etäisyys (yksi kohde, nolla toiselle ja kolmannelle tavoitteelle, nolla kolmannelle kohteelle kohteen alussa ja lopussa) D9 D8 D7 D6D5 D4D2 D1 D0 D8-D6 Ensimmäinen tavoiteetäisyys (yksikkö 0,1 m) D5-D3-etäisyys toiseen kohteeseen (yksikkö: 0,1 m) D2-D0 kolmas tavoiteetäisyys (yksikkö 0,1 m) 3. Tavoitteet ovat lähellä Fard9 (Bit7-bit00) lipun tavua: D9 on seitsemäs bitti, joka osoittaa pääaallon; 1: Pääaalto on, 0: Ei pääaaltoa.d9 on kuudes sijainti, joka osoittaa kaikua; 1: Echo, 0: Ei echod9, viides sijainti osoittaa lasertilan; 1: Normaali laser, 0: Laser -vika9 on aikakatkaisun lipun neljäs bitti, 1: normaali, 0: aikakatkaisu9 on virheellinen kolmannessa asennossa (asetettu arvoon 1); D9 Toinen sijainti osoittaa APD -tilan; 1: Normaali, 0: Virhe9 on ensimmäinen sijainti, joka osoittaa, onko aikaisempaa kohdetta; 1: Edellisellä tavoitteella on aikaisempi, 0: Ei aikaisempaa kohdetta (kohde sokealla alueella) .D9 0. bitti osoittaa, onko seuraavaa kohdetta; 1: Seuraava kohde on 0: Ei myöhempää kohdetta (pääkohde pääkohde on seuraava kohde) 14 tavua
12 0xeb Numerokysely D17 …… D0 D17 D16 D15 D14 D13 D12 Koko konemalli koodattu11D10 Product NumberD9 D6 -versiod5 D4 APD NumberD3 D2 Laser Numberversion D1 FPGA: n 22 tavua
HUOMAUTUS: ① määrittelemätön datatavu/bitti, oletus on 0;

Hot Tags: 7 km silmän turvallinen laser-etäisyysmoduuli (LRF), valmistajat, toimittajat, tehdas, Kiina, valmistettu Kiinassa, räätälöity, korkealaatuinen
Aiheeseen liittyvä luokka
Lähetä kysely
Ole hyvä ja lähetä kyselysi alla olevalla lomakkeella. Vastaamme sinulle 24 tunnin kuluessa.
X
Käytämme evästeitä tarjotaksemme sinulle paremman selauskokemuksen, analysoidaksemme sivuston liikennettä ja mukauttaaksemme sisältöä. Käyttämällä tätä sivustoa hyväksyt evästeiden käytön. Tietosuojakäytäntö
Hylätä Hyväksyä