Koti > Tuotteet > Laseretäisyysmittari moduuli > 1064nm Laser Target Merkitsaattori > 200MJ Laser Target Designtor (Ltd) WIHT LRF
200MJ Laser Target Designtor (Ltd) WIHT LRF
  • 200MJ Laser Target Designtor (Ltd) WIHT LRF200MJ Laser Target Designtor (Ltd) WIHT LRF

200MJ Laser Target Designtor (Ltd) WIHT LRF

STA-Z200M on sotilaallinen 200MJ Laser Target -nimittaja, jolla on ratkaiseva rooli tarkkuusjärjestelmissä, ja se pystyy tarjoamaan tarkkoja ohjeita älykkäille ammuksille. Edistyneen optisen järjestelmän avulla se merkitsee kohteen lasersäteellä varmistaen, että tarkkuusohjatut aseet voivat tuhota kohteen erittäin suurella tarkkuudella ja tehokkuudella.

Lähetä kysely

Tuotteen Kuvaus
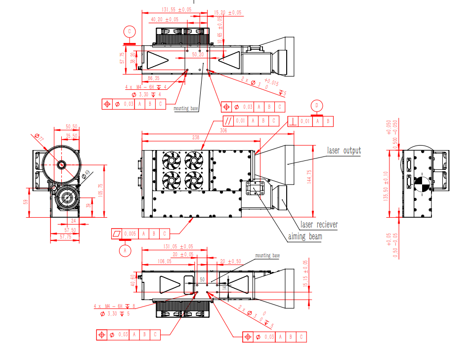
Tämä laserkohde -nimittäjän malli hyväksyy integroidun suunnittelun, järjestelmä koostuu laservalonlähteestä ja ohjaimesta, etäisyyden mittausmoduulista, havaintojärjestelmästä ja ohjausmoduulista.

Päätoiminto

Laservälitystoiminto;
Lasersäteilytystoiminto;
Valoelektrisen eristyssignaalin liipaisin;
purettu kohdistuspalkki;
ulkoinen liipaisimen funktio;

Tärkeimmät tekniset indikaattorit

Toimiva aallonpituus 1064nm ± 1nm
Lasersäteilytysenergia 200MJ
Kevyt viive 304 um ± 1 uM
Lasersäteen hajontakulma ≤0,2Mrad
Säteilytaajuus 8 ~ 21Hz
Etäisyystaajuus 10Hz
Laserpulssin leveys 10ns ~ 15Ns
Voimakkuus ≤ ± 8%
Etäisyys 0,3 m ~ 30 km (kohteen koko 10 m *10 m *8 m, näkyvyys 30 km)
Etäisyysvirhe alle tai yhtä suuri kuin 5 metriä
Kohdevalinta Ensimmäinen/toinen/pää
Tarkka mittausnopeus 98%
Aloitusaika < 1 min (normaalissa lämpötilassa)
Työaika Etäisyystila Jatkuvasti 5 minuutin ajan, lepää 4 minuuttia, jatkuvia 5 sykliä (alhaisessa/normaalilämpötilassa) Jatkuvasti 5 minuutin ajan, lepää 4 minuutin, jatkuvien 2CYCLE: n kanssa (korkeassa lämpötilassa ja 85MJ -lähtö) työskentelee jatkuvasti 2 minuutin ajan, lepää 4 minuutin, jatkuvien 2CYCLES (korkean lämpötilan ja 160MJ: n lähtöä iopesta.
Säteilytystila Säteilytysaika 90S, REST 60S, jatkuvat 5 sykliä (alhaisessa/normaalilämpötilassa ja 85MJ lähtö) Säteilytysajan 60S, REST 60S, jatkuva 5 sykliä (alhaisella/normaalilla lämpötilalla ja 160MJ lähtö) Säteilytysaika 90 -vuotiaat, lepo 60 -vuotiaat, jatkuvat 1 syklit. 160MJ lähtö)
Täysi paino ≤ 3,3 kg

Täyden sarjan tilavuus



Sähkörajapinta

Viestintäliitin (pistorasiamalli J30J-15ZKP, Butt Plug -malli J30J-15TJ) PIN-määritelmä

Nasta Määritelmä Sisältö Signaalityyppi Huomautukset
1 TX+ RS422 Lähetä positiivinen (paikallinen) Tulos Object Host Computer
2 TX - RS422 Lähetä negatiivinen (paikallinen) Tulos Object Host Computer
3 RX+ RS422 saa positiivista (paikallista) Syöttö Objektin ylätietokone
4 RX - RS422 vastaanottaa negatiivista (paikallista) Syöttö Objektin ylätietokone
5 Hölynpöly Ground RS422 Signaali Objektin ylätietokone
6


Valmistajan virheenkorjaus
7


Valmistajan virheenkorjaus
8


Valmistajan virheenkorjaus
9


Valmistajan virheenkorjaus
10


Valmistajan virheenkorjaus
11


Valmistajan virheenkorjaus
12


Valmistajan virheenkorjaus
13


Valmistajan virheenkorjaus
14
Ulkoinen aikajärjestelmä + Syöttö RS422 -ero
15
Ulkoinen aikajärjestelmä - Syöttö RS422 -ero

Power Connector (Pistoketyyppi J30J02P020P000S0P120, Pistoketyyppi J30J02P020S000S0L000) PIN -määritelmä

Pinanumero Määritelmä Huomautukset
A, b 24 V Langan väri on punainen
C, D Hölynpöly Langan väri on musta

Keskeiset suorituskyvyn indikaattorit

Virtalähde ja virrankulutus Virransyöttöalue 20 V ~ 33 V, DC
Virrankulutus Huipputeho on enintään 260 W, valmiustila on enintään 60 W (normaali lämpötila)
Luotettavuus MTBF on vähintään 4000 tuntia (kokonaispalointiaika on suurempi kuin 3 miljoonaa)
Turvallisuus Aseta varoituslaite laserille
Laser -lähettimen poistuminen on tarjolla ilmeisiä varoitusmerkkejä
Laitteet ovat hyvin maadoitettuja
Ylläpidettävyys Kaikissa tärkeimmissä toiminnallisissa komponenteissa ja laitteissa on sekä vikaindikaattorit että indikaattorit normaalille toiminnalle
Keskimääräinen korjausaika MTTR on enintään 20 minuuttia
Sähkömagneettiset yhteensopivuusvaatimukset Järjestelmän käynnistysprosessissa laitteet voivat olla yhteensopivia järjestelmän muiden laitteiden kanssa ja käyttää normaalisti

Ympäristön mukautumisvaatimukset

Lämpötila Käyttölämpötila -40 ℃ ~ +60 ℃
Säilytyslämpötila -40 ℃ ~ +70 ℃
Kostea lämpö Suhteellinen kosteus 95% ± 3%
Lämpötila +25 ° C ± 2 ° C
Säilytysaika 72H
Värähtely Värähtelyspektrin muoto (GRMS = 6,06) 20Hz - 80 Hz +3dB/lokakuu
80Hz - 350Hz G2/0,04 Hz
350Hz - 2000Hz -3dB/lokakuu
Tärinänsuunta ja aika värähtele kahteen suuntaan vähintään 10 minuutin ajan
Hallintapiste tulisi valita kiinnitys- tai ravistuspöydän pinnalla lähellä tuotteen maksimaalista jäykkyyttä, suuret laitteet voivat käyttää monipisteen keskimääräistä ohjausta
Valvontapiste Valvontapiste tulisi valita testauksen alla olevan tuotteen avainosaan, jotta juurikeskus neliökiihtyvyysvaste ei ylitä suurinta sallittua suunnittelua (GRMS = 6,06)
Asennusvaatimukset Näyte on kiinnitetty tiukasti ravistuspöydälle, ja iskunvaimentimilla varustetuille tuotteille iskunvaimentimet on poistettava ennen testausta
Suorituskyvyn tarkistus Värähtelytestauksen aikana, jolla on virta, kaikkien suorituskyvyn indikaattorien on täytettävä suunnitteluasiakirjassa määriteltyjä teknisiä vaatimuksia. Vikatapauksessa korjaukset ovat sallittuja. Korjauksen jälkeen spektriarvo on alennettava arvoon 0,01 g²/Hz, GRMS = 3,03, ja näytteelle tulisi altisteta värähtely värähtelylle 10 minuutin ajan hyväksymistestin aikana.
Lämpötilasykli Lämpötila -alue Pintakoe -35 ± 3 ℃ ~ +52 ± 2 ℃
Lämpötilan muutoksen määrä Lämpötilan nousu 10 ℃/min
Jäähdytys 10 ℃/min
Pyöräilyajat Kymmenen sykliä tulisi saada päätökseen, mikä varmistaa, että kaksi viimeistä sykliä ei ole vikoja. Jos vika tapahtuu kahden viimeisen syklin aikana korjausten jälkeen, tarvitaan vielä 2 viatonta sykliä.
Kierto -aika Yksi syklin aika on 4H, yksi sykli sisältää lämpötilan nousun → Lämpötilan oleskelu → Jäähdytys → Lämpötilan oleskelu → Lämpötilan nousu
Korkea ja matala lämpötilan viipymisaika Viipymisaika riippuu näytteen lämpökapasiteetista. Tuotteen lämpö- tai kylmän läpäisevyyden periaatteen perusteella näytteen sisälämpötila ylläpidetään 5 minuutin ajan stabiilisuuden saavuttamisen jälkeen
Testauksen alla olevan tuotteen vaatimukset Yleisen lämpötilasyklin testin koko koneella tulisi olla niin pitkälle kuin mahdollista kannen avaamiseksi
Tarkistaa ja korjata Power Test -laitteessa jokaisen lämpötilasyklin jälkeen on tarpeen vahvistaa, että laitteessa ei ole vikoja ennen siirtymistä seuraavaan lämpötilasykliin
Upotusvaatimukset Upotus suoritetaan koko laitteen kanssa
kuljetusvaatimukset Laitteet on kuljetettava koko ajoneuvona
Jos tuote ei ole suoritettu maantiekuljetustestiä, voit suorittaa sisäkuljetussimulaatiotestin simulaatiokuljetuspöydällä. Tämä testi sisältää sinimuotoisen syklisen tärinän testin suorittamisen tuotteen suorituskyvyn arvioimiseksi
Simuloidun kuljetuspöytätestin vaatimukset ovat seuraavat
Koeolosuhteet Taajuus 5Hz ~ 200Hz
Amplitudi 5Hz ~ 7Hz
Amplitudi 12 mm ~ 8 mm
7Hz ~ 200Hz yhtäläinen kiihtyvyys 1,5 g
Värähtelykokeen olosuhteet sallittu poikkeama on sama kuin laajakaistan satunnainen tärinätesti
Suunta pystysuora akselin suunta ja sivu; suunta: pystysuora ja lateraalinen akseliin
Kierto -aika Log-skannaus 5Hz ~ 200Hz ~ 5Hz, 12 minuuttia sykliä kohti; Kun näytteen resonanssitaajuus mitataan alle 5Hz, testitaajuutta voidaan pidentää 2Hz: iin, 2Hz ~ 200Hz ~ 2Hz skannaus, skannausajan tulisi olla 15 minuuttia. Värinäaika kumpaankin suuntaan on 90 min-minin
Kuljetustestin jälkeen tarkista mahdolliset vaurioiden tai rakenteellisen löystymisen merkit ja suorita tekniset indeksit tarkastavat suunnitteluvaatimusten täyttämiseksi

Hot Tags: 200MJ Laser Target Designtor (Ltd) WIHT LRF, valmistajat, toimittajat, tehdas, Kiina, valmistettu Kiinassa, räätälöity, korkealaatuinen
Aiheeseen liittyvä luokka
Lähetä kysely
Ole hyvä ja lähetä kyselysi alla olevalla lomakkeella. Vastaamme sinulle 24 tunnin kuluessa.
X
Käytämme evästeitä tarjotaksemme sinulle paremman selauskokemuksen, analysoidaksemme sivuston liikennettä ja mukauttaaksemme sisältöä. Käyttämällä tätä sivustoa hyväksyt evästeiden käytön. Tietosuojakäytäntö
Hylätä Hyväksyä