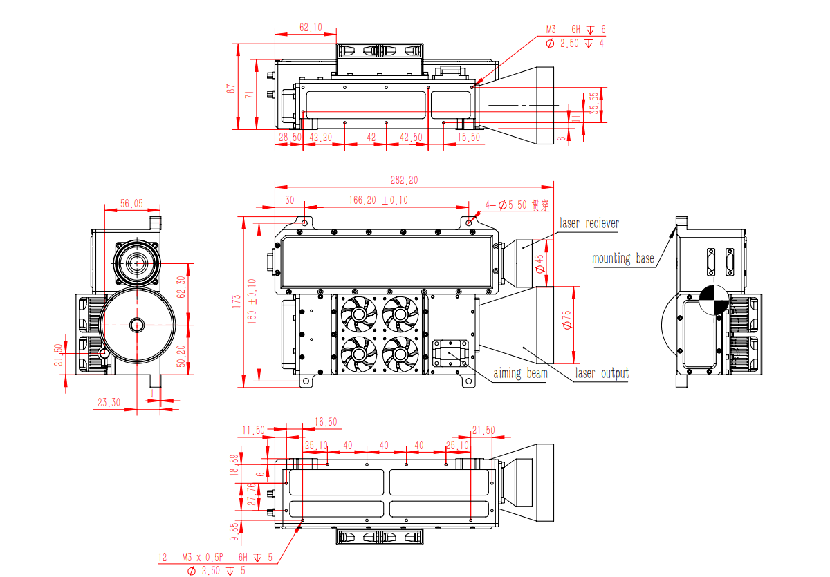
STA-Z80M on sotilaallinen 80MJ-laser Target-nimeäjä, jolla on ratkaiseva rooli tarkkuusjärjestelmissä, jotka kykenevät tarjoamaan tarkkoja ohjeita älykkäille ammuksille. Edistyneen optisen järjestelmän avulla se merkitsee kohteen lasersäteellä varmistaen, että tarkkuusohjatut aseet voivat tuhota kohteen erittäin suurella tarkkuudella ja tehokkuudella.
| Laservalon lähteen pääparametrit | |
| Toimiva aallonpituus | 1064nm ± 1nm |
| Pumpputila | puolijohde -sivupumppu |
| Säteilytaajuus | Tarkka koodi 45 ms - 125 ms (tarkista koodi 20Hz) |
| Laukaisumenetelmä | Molemmat int. Liipaisin ja ext. liipaisin (liipaisimen viive: 304US+-1us) |
| Lähtöenergia | ≥80MJ@20Hz |
| Enimmäisradistuksen etäisyys | ≥12 km |
| Q -kytkentätila | Elektro-optinen Q-kytkentä |
| Pulssin leveys | 10ns ~ 20ns |
| Säteen erottelukulma | Käyttämällä 0,15 MRAD (hyväksyntämenetelmä hyväksyy reikäreiän menetelmän ja reikän reikän ja reikävapauden suhde on vähintään 86,5%) |
| Pulssienergian vakaus | ≤8%(RMS) |
| Säteilytystyösykli | 90 -luvun työ, aika 60S; 4 sykliä (normaali lämpötila tai matala lämpötila), 1 sykli (korkea lämpötila 60 ℃) |
| Virtalähde | DC 24V ± 4 V |
| Voima | 7 |
| Viestinnän sarjaportti | RS422 |
| Ulkoinen liipaisiliitäntä | 3 V: n differentiaalitaso, RS422-rajapinta (viiveaika on 304US +/- 1US liipaisimen signaalista ulos) |
| Koodaustyyppi | Tarkka taajuuskoodaus, aikakoodaus, pseudo -satunnainen koodaus |
| Tarkkuuden käyttäminen | <+-1us |
| Laserparametrit | |
| Etäisyystila | 0 ~ 5Hz aina |
| Enimmäis etäisyys | > 30 km (20 km näkyvyys, 2,3x2,3m tyypillinen tavoite, kohteen heijastuskyky> 20%) |
| Minimi mitattu etäisyys | 300 metriä |
| Etäisyystarkkuus | ± 5m |
| Ympäristön sopeutumiskyky | |
| Matala lämpötila | Käyttölämpötila: -40C |
| Varastointilämpötila: -45 ℃ | |
| Korkea lämpötila | Käyttölämpötila: + 60 ℃ |
| Varastointilämpötila: +65 ℃. | |
| Kostea lämpö | Suhteellinen kosteus: 95%± 3%; |
| Lämpötila: +35 ℃ ± 2 ℃ | |
| Varastointiaika: 72h. | |
| Vaikutus | |
| Isku -aaltomuoto | puoliksi sinimuotoinen pulssi |
| Huippukiihtyvyys | 10G |
| Pulssin leveys | 11 ms |
| Iskujen lukumäärä | 3 pystysuorassa aksiaalisuunnassa |
| Värähtely | |
| Taajuusalue | 5 ~ 16Hz yhden amplitudin siirtymä: 1,5 mm |
| 16 ~ 200Hz (16 ~ 60 Hz optisille laitteille) Kiihtyvyys: 1,5 g | |
| Yksi skannausaika | 12min |
| Kesto | pystysuora aksiaali 36min |

| Nasta | Määritelmä | Sisältö | Signaalityyppi | Huomautukset |
| 1 | TX+ | RS422 Lähetä positiivinen (paikallinen) | Tulos | Object Host Computer |
| 2 | TX - | RS422 Lähetä negatiivinen (paikallinen) | Tulos | Object Host Computer |
| 3 | RX+ | RS422 saa positiivista (paikallista) | Syöttö | Objektin ylätietokone |
| 4 | RX - | RS422 vastaanottaa negatiivista (paikallista) | Syöttö | Objektin ylätietokone |
| 5 | Hölynpöly | Ground RS422 | Signaali | Objektin ylätietokone |
| 6 |
|
|
|
Valmistajan virheenkorjaus |
| 7 |
|
|
|
Valmistajan virheenkorjaus |
| 8 |
|
|
|
Valmistajan virheenkorjaus |
| 9 |
|
|
|
Valmistajan virheenkorjaus |
| 10 |
|
|
|
Valmistajan virheenkorjaus |
| 11 |
|
|
|
Valmistajan virheenkorjaus |
| 12 |
|
|
|
Valmistajan virheenkorjaus |
| 13 |
|
|
|
Valmistajan virheenkorjaus |
| 14 |
|
Ulkoinen aikajärjestelmä + | Syöttö | RS422 -ero |
| 15 |
|
Outer Time Tong - | Syöttö | RS422 -ero |
| Pinanumero | Määritelmä | Huomautukset |
| A, b | 24 V | Langan väri on punainen |
| C, D | Hölynpöly | Langan väri on musta |
| Virtalähde ja virrankulutus | Virransyöttöalue | 20 V ~ 33 V, DC |
| Virrankulutus | Huipputeho on enintään 240 W, valmiustila on enintään 60 W (huoneenlämpötila) | |
| Luotettavuus | MTBF on vähintään 4000 tuntia (kokonaispalointiaika on suurempi kuin 3 miljoonaa) | |
| Turvallisuus | Aseta varoituslaite laserille | |
| Laser -lähettimen poistuminen on tarjolla ilmeisiä varoitusmerkkejä | ||
| Laitteet ovat hyvin maadoitettuja | ||
| Ylläpidettävyys | Kaikissa tärkeimmissä toiminnallisissa komponenteissa ja laitteissa on sekä vikaindikaattorit että indikaattorit normaalille toiminnalle | |
| Keskimääräinen korjausaika MTTR on enintään 20 minuuttia | ||
| Sähkömagneettiset yhteensopivuusvaatimukset | Järjestelmän käynnistysprosessissa laitteet voivat olla yhteensopivia järjestelmän muiden laitteiden kanssa ja käyttää normaalisti | |
| Lämpötila | Käyttölämpötila | -40 ℃ ~ +60 ℃ | ||||
| Säilytyslämpötila | -45 ℃ ~ +70 ℃ | |||||
| Kostea lämpö | Suhteellinen kosteus | 95% ± 3% | ||||
| Lämpötila | +25 ° C ± 2 ° C | |||||
| Säilytysaika | 72H | |||||
| Värähtely | Värähtelyspektrin muoto (GRMS = 6,06) | 20Hz - 80 Hz | +3dB/lokakuu | |||
| 80Hz - 350Hz | G2/0,04 Hz | |||||
| 350Hz - 2000Hz | -3dB/lokakuu | |||||
| Tärinänsuunta ja aika | värähtele kahteen suuntaan vähintään 10 minuutin ajan. (Tärinä kahteen suuntaan, ts. X -akseli, joka on myös laser -akselia ja z -suuntaa pitkin) | |||||
| Hallintapiste | tulisi valita kiinnitys- tai ravistuspöydän pinnalla lähellä tuotteen maksimaalista jäykkyyttä, suuret laitteet voivat käyttää monipisteen keskimääräistä ohjausta | |||||
| Valvontapiste | Valvontapiste tulisi valita testauksen alla olevan tuotteen avainosaan, jotta juurikeskus neliökiihtyvyysvaste ei ylitä suurinta sallittua suunnittelua (GRMS = 6,06) | |||||
| Asennusvaatimukset | Näyte on kiinnitetty tiukasti ravistuspöydälle, ja iskunvaimentimilla varustetuille tuotteille iskunvaimentimet on poistettava ennen testausta | |||||
| Suorituskyvyn tarkistus | Värähtelytestauksen aikana, jolla on virta, kaikkien suorituskyvyn indikaattorien on täytettävä suunnitteluasiakirjassa määriteltyjä teknisiä vaatimuksia. Vikatapauksessa korjaukset ovat sallittuja. Korjauksen jälkeen spektriarvo on alennettava arvoon 0,01 g²/Hz, GRMS = 3,03, ja näytteelle tulisi altisteta värähtely värähtelylle 10 minuutin ajan hyväksymistestin aikana. | |||||
| Lämpötilasykli | Lämpötila -alue | Pintakoe | -40 ± 3 ℃ ~ +55 ± 2 ℃ | |||
| Lämpötilan muutoksen määrä | Lämpötilan nousu | 10 ℃/min | ||||
| Jäähdytys | 10 ℃/min | |||||
| Pyöräilyajat | Kymmenen sykliä tulisi saada päätökseen, mikä varmistaa, että kaksi viimeistä sykliä ei ole vikoja. Jos vika tapahtuu kahden viimeisen syklin aikana korjausten jälkeen, tarvitaan vielä 2 viatonta sykliä. | |||||
| Kierto -aika | Yksi syklin aika on 4H, yksi sykli sisältää lämpötilan nousun → Lämpötilan oleskelu → Jäähdytys → Lämpötilan oleskelu → Lämpötilan nousu | |||||
| Korkea ja matala lämpötilan viipymisaika | Viipymisaika riippuu näytteen lämpökapasiteetista. Tuotteen lämpö- tai kylmän läpäisevyyden periaatteen perusteella näytteen sisälämpötila ylläpidetään 5 minuutin ajan stabiilisuuden saavuttamisen jälkeen | |||||
| Testauksen alla olevan tuotteen vaatimukset | Yleisen lämpötilasyklin testin koko koneella tulisi olla niin pitkälle kuin mahdollista kannen avaamiseksi | |||||
| Tarkistaa ja korjata | Power Test -laitteessa jokaisen lämpötilasyklin jälkeen on tarpeen vahvistaa, että laitteessa ei ole vikoja ennen siirtymistä seuraavaan lämpötilasykliin | |||||
| Upotusvaatimukset | Upotus suoritetaan koko laitteen kanssa | |||||
| kuljetusvaatimukset | Laitteet on kuljetettava koko ajoneuvona | |||||
| Jos tuote ei ole suoritettu maantiekuljetustestiä, voit suorittaa sisäkuljetussimulaatiotestin simulaatiokuljetuspöydällä. Tämä testi sisältää sinimuotoisen syklisen tärinän testin suorittamisen tuotteen suorituskyvyn arvioimiseksi | ||||||
| Simuloidun kuljetuspöytätestin vaatimukset ovat seuraavat | ||||||
| Koeolosuhteet | Taajuus | 5Hz ~ 200Hz | ||||
| Amplitudi | 5Hz ~ 7Hz | |||||
| Amplitudi 12 mm ~ 8 mm | ||||||
| 7Hz ~ 200Hz yhtäläinen kiihtyvyys 1,5 g | ||||||
| Värähtelykokeen olosuhteet sallittu poikkeama on sama kuin laajakaistan satunnainen tärinätesti | ||||||
| Suunta | pystysuora akselin suunta ja sivu; suunta: pystysuora ja lateraalinen akseliin | |||||
| Kierto -aika | Log-skannaus 5Hz ~ 200Hz ~ 5Hz, 12 minuuttia sykliä kohti; Kun näytteen resonanssitaajuus mitataan alle 5Hz, testitaajuutta voidaan pidentää 2Hz: iin, 2Hz ~ 200Hz ~ 2Hz skannaus, skannausajan tulisi olla 15 minuuttia. Värinäaika kumpaankin suuntaan on 90 min-minin | |||||
| Kuljetustestin jälkeen tarkista mahdolliset vaurioiden tai rakenteellisen löystymisen merkit ja suorita tekniset indeksit tarkastavat suunnitteluvaatimusten täyttämiseksi | ||||||